品牌展示
- YUKEN油研液压
- REXROTH液压泵
- VICKERS
- DAIKIN
- PARKER
- 118bet金博宝
- 188app金宝搏网在线下载
- Marzocchi齿轮泵
- Sumitomo齿轮泵
- Danfoss液压泵
- 118bet金博宝下载
- YEOSHE液压泵
- 东京计器液压泵
- SALAMI齿轮油泵
- VIVOIL齿轮油泵
- CASAPPA齿轮泵
- Caproni齿轮油泵
- 188app金宝搏
- HESPER齿轮泵
- HYDAC齿轮泵
- Roquet齿轮泵
- Bondioli齿轮泵
- Jihostroj齿轮泵
- Duplomatic迪普马
- METARIS齿轮泵
- ATOS齿轮油泵
- KRACHT齿轮泵
- Brevini齿轮油泵
- RONZIO齿轮泵
- 沃尔沃齿轮泵
- Commercial液压泵
- LINDE
- HAWE
- Kawasaki液压泵
- 赫格隆液压马达
- 力士乐减速机
- 其他品牌
- 维修服务
最新动态
- 01MARZOCCHI齿轮泵,SUMITOMO齿轮泵,DANFOSS齿轮泵有哪些区别
- 02Bondioli齿轮泵型号,特征及技术参数 -邦迪奥利齿轮油泵
- 03日本油研CJT140-TA40B50B-ABD-20液压缸详细参数,YUKEN油缸
- 04台湾油昇液压泵V23A1R10X,V23A2R10X,V23A3R10X特征,型号参数说明
- 05YEOSHE柱塞泵V18A4R10X,V18A1L10X,V18A2L10X参数,台湾油昇液压泵
- 06YEOSHE油昇V18A1R10X,V18A2R10X,V18A3R10X柱塞泵特征及参数说明
- 07意大利布莱玛变量叶片泵, BERARMA叶片泵型号大全
- 08Berarma布莱玛叶片泵01-PHP-05-16-FHRM,02-PSP2-31-F-H-R-M规格参数,型号说明
- 09DANFOSS丹佛斯柱塞泵ERR/ERL系列,90系列型号有哪些,特征及应用
PVS系列不二越NACHI柱塞泵
品牌类型:
发布时间:
118bet金博宝
2024-11-05 15:00:42
温馨提示:由于产品型号太多,网站只能列出部分产品信息。如您在网站中未能找到您需要的型号,请咨询我们的在线客服!
咨询热线:13686884195、0755-29874345
详情介绍
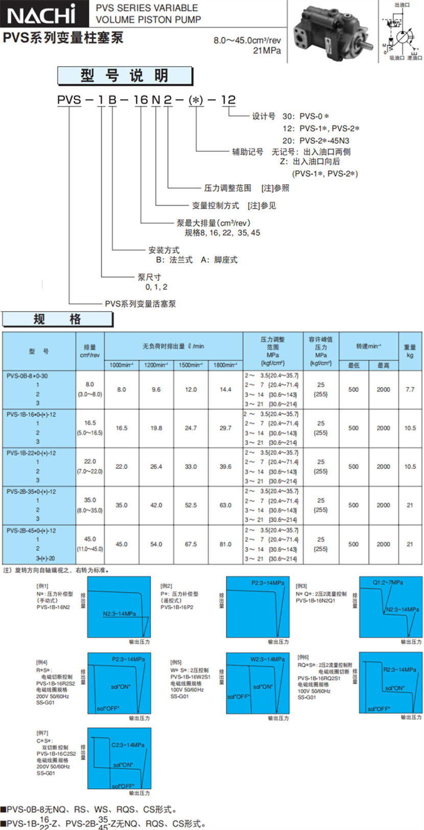
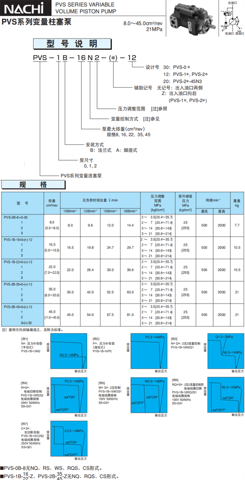
不二越PVS系列变量柱塞泵
·PVS-0B设计号30,体积小,重量轻。低噪音。
·PVS-1B-22,PVS-2B-45增加压力等级3型。(PVS-2B-45*3形设计号为20)。
特点:
① 大幅度降低损耗,节省功率
通过使用NACHI独特设计的半圆柱形斜盘,可以保持稳定的出油量,减少流量损耗,根据负荷周
期有效使用动力。
节省能源,降低了动力损失,实现生产低成本化。
② 运转平稳,低噪音
在滑靴,斜盘,配油盘等各处都采用消音结构。实现了低噪音,特别是通过半圆柱斜盘,稳定了
动作特性,运行时噪音低。
·PVS-0B设计号30,体积小,重量轻。低噪音。
·PVS-1B-22,PVS-2B-45增加压力等级3型。(PVS-2B-45*3形设计号为20)。
特点:
① 大幅度降低损耗,节省功率
通过使用NACHI独特设计的半圆柱形斜盘,可以保持稳定的出油量,减少流量损耗,根据负荷周
期有效使用动力。
节省能源,降低了动力损失,实现生产低成本化。
② 运转平稳,低噪音
在滑靴,斜盘,配油盘等各处都采用消音结构。实现了低噪音,特别是通过半圆柱斜盘,稳定了
动作特性,运行时噪音低。
挖机专用柱塞泵PVK系列。
型号齐全!原装正品!质保一年!欢迎咨询!!

![【港隆液压】液压元件[
,电磁阀]一站式服务平台](http://www.abundanita.com/upload/20210127173032768281.png)



