品牌展示
- YUKEN油研液压
- REXROTH液压泵
- VICKERS
- DAIKIN
- PARKER
- 118bet金博宝
- 188app金宝搏网在线下载
- Marzocchi齿轮泵
- Sumitomo齿轮泵
- Danfoss液压泵
- 118bet金博宝下载
- YEOSHE液压泵
- 东京计器液压泵
- SALAMI齿轮油泵
- VIVOIL齿轮油泵
- CASAPPA齿轮泵
- Caproni齿轮油泵
- 188app金宝搏
- HESPER齿轮泵
- HYDAC齿轮泵
- Roquet齿轮泵
- Bondioli齿轮泵
- Jihostroj齿轮泵
- Duplomatic迪普马
- METARIS齿轮泵
- ATOS齿轮油泵
- KRACHT齿轮泵
- Brevini齿轮油泵
- RONZIO齿轮泵
- 沃尔沃齿轮泵
- Commercial液压泵
- LINDE
- HAWE
- Kawasaki液压泵
- 赫格隆液压马达
- 力士乐减速机
- 其他品牌
- 维修服务
最新动态
- 01Bondioli齿轮泵型号,特征及技术参数 -邦迪奥利齿轮油泵
- 02日本油研CJT140-TA40B50B-ABD-20液压缸详细参数,YUKEN油缸
- 03台湾油昇液压泵V23A1R10X,V23A2R10X,V23A3R10X特征,型号参数说明
- 04YEOSHE柱塞泵V18A4R10X,V18A1L10X,V18A2L10X参数,台湾油昇液压泵
- 05YEOSHE油昇V18A1R10X,V18A2R10X,V18A3R10X柱塞泵特征及参数说明
- 06意大利布莱玛变量叶片泵, BERARMA叶片泵型号大全
- 07Berarma布莱玛叶片泵01-PHP-05-16-FHRM,02-PSP2-31-F-H-R-M规格参数,型号说明
- 08DANFOSS丹佛斯柱塞泵ERR/ERL系列,90系列型号有哪些,特征及应用
- 09DANFOSS丹佛斯柱塞泵有哪些型号,价格,特征及应用
HP11 双泵
品牌类型:
发布时间:
HESPER齿轮泵
2023-01-03 10:32:02
温馨提示:由于产品型号太多,网站只能列出部分产品信息。如您在网站中未能找到您需要的型号,请咨询我们的在线客服!
咨询热线:13686884195、0755-29874345
详情介绍
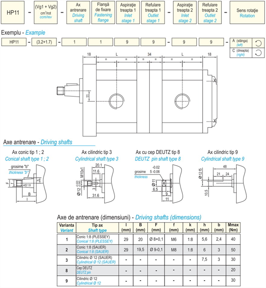
赫思博HP11 双泵:
Vg = 0.85 – 11 ccm/rot
Pres nom = 高达 250 bar
Pres max = 高达 280 bar
这些双联泵是通过组装单泵组 1 获得的,通常允许各种类型的轴、法兰安装、入口和出口端口。这些泵在步骤之间具有密封中间层。每一步都保持了简单泵的特性。它也可以建造多个泵。
HESPER赫思博HP11双泵说明:
-Pn:公称压力
-在标称条件下和在0油粘度为30…40 mm2/s。
-泵在无空腔的情况下高速运行只有在0吸力足够高的情况下才可能。
-禁止向泵轴施加径向或轴向载荷在使用过程中。
Vg = 0.85 – 11 ccm/rot
Pres nom = 高达 250 bar
Pres max = 高达 280 bar
这些双联泵是通过组装单泵组 1 获得的,通常允许各种类型的轴、法兰安装、入口和出口端口。这些泵在步骤之间具有密封中间层。每一步都保持了简单泵的特性。它也可以建造多个泵。
HESPER赫思博HP11双泵说明:


-Pn:公称压力
-在标称条件下和在0油粘度为30…40 mm2/s。
-泵在无空腔的情况下高速运行只有在0吸力足够高的情况下才可能。
-禁止向泵轴施加径向或轴向载荷在使用过程中。
![【港隆液压】液压元件[
,电磁阀]一站式服务平台](http://www.abundanita.com/upload/20210127173032768281.png)



