品牌展示
- YUKEN油研液压
- REXROTH液压泵
- VICKERS
- DAIKIN
- PARKER
- 118bet金博宝
- 188app金宝搏网在线下载
- Marzocchi齿轮泵
- Sumitomo齿轮泵
- Danfoss液压泵
- 118bet金博宝下载
- YEOSHE液压泵
- 东京计器液压泵
- SALAMI齿轮油泵
- VIVOIL齿轮油泵
- CASAPPA齿轮泵
- Caproni齿轮油泵
- 188app金宝搏
- HESPER齿轮泵
- HYDAC齿轮泵
- Roquet齿轮泵
- Bondioli齿轮泵
- Jihostroj齿轮泵
- Duplomatic迪普马
- METARIS齿轮泵
- ATOS齿轮油泵
- KRACHT齿轮泵
- Brevini齿轮油泵
- RONZIO齿轮泵
- 沃尔沃齿轮泵
- Commercial液压泵
- LINDE
- HAWE
- Kawasaki液压泵
- 赫格隆液压马达
- 力士乐减速机
- 其他品牌
- 维修服务
最新动态
- 01MARZOCCHI齿轮泵,SUMITOMO齿轮泵,DANFOSS齿轮泵有哪些区别
- 02Bondioli齿轮泵型号,特征及技术参数 -邦迪奥利齿轮油泵
- 03日本油研CJT140-TA40B50B-ABD-20液压缸详细参数,YUKEN油缸
- 04台湾油昇液压泵V23A1R10X,V23A2R10X,V23A3R10X特征,型号参数说明
- 05YEOSHE柱塞泵V18A4R10X,V18A1L10X,V18A2L10X参数,台湾油昇液压泵
- 06YEOSHE油昇V18A1R10X,V18A2R10X,V18A3R10X柱塞泵特征及参数说明
- 07意大利布莱玛变量叶片泵, BERARMA叶片泵型号大全
- 08Berarma布莱玛叶片泵01-PHP-05-16-FHRM,02-PSP2-31-F-H-R-M规格参数,型号说明
- 09DANFOSS丹佛斯柱塞泵ERR/ERL系列,90系列型号有哪些,特征及应用

首页Marzocchi齿轮泵产品详情

ALP2A-D-* 系列马祖奇齿轮泵
品牌类型:
发布时间:
Marzocchi齿轮泵
2024-12-25 15:18:50
温馨提示:由于产品型号太多,网站只能列出部分产品信息。如您在网站中未能找到您需要的型号,请咨询我们的在线客服!
咨询热线:13686884195、0755-29874345
详情介绍
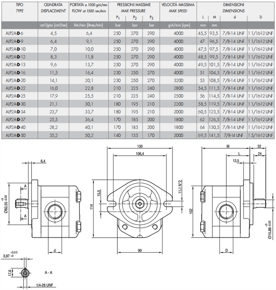
马祖奇ALP2A-D-*系列齿轮泵参数及尺寸:
马祖奇齿轮泵ALP2A系列相关型号:
ALP2A-D-6,ALP2A-D-9,ALP2A-D-10,ALP2A-D-12,ALP2A-D-13,ALP2A-D-16,ALP2A-D-20
ALP2A-D-22,ALP2A-D-25,ALP2A-D-30,ALP2A-D-34,ALP2A-D-37ALP2A-D-40,ALP2A-D-50
意大利马祖奇ALP2A-D-*系列齿轮泵是意大利马祖奇(MARZOCCHI)品牌生产的一种高性能齿轮泵,以下是关于该系列齿轮泵的详细介绍:
一、产品特点
高效能:ALP2A-D-*系列齿轮泵采用高性能材料和先进齿轮设计,能够在高压力和高温环境下高效地传输流体。其高效率的设计减少了能源消耗和热量生成,使得泵在长时间运行中保持稳定的性能。
长寿命:该系列齿轮泵具有坚固和耐用的设计,能够承受严苛的工作环境。齿轮和轴承寿命长,减少了维修和更换的频率,从而降低了运营成本。
维护简便:ALP2A-D-*系列齿轮泵的设计使得维护和检查变得简单方便。模块化设计使得快速更换磨损部件成为可能,减少了停机时间,提高了设备的利用率。
多种配置:该系列齿轮泵有多种配置可供选择,以满足不同的应用需求。用户可以根据实际需求选择不同的排量、压力、电压和驱动方式等配置。
二、工作原理
ALP2A-D-*系列齿轮泵的工作原理基于齿轮的旋转和体积的变化。两个齿轮在泵缸内相互啮合,随着驱动轴的旋转而转动。当吸入室一侧的啮合齿逐渐分开时,吸入室容积增大,压力降低,从而将吸入管中的液体吸入泵内。吸入液体分两路在齿槽内被齿轮推送到排出室。液体进入排出室后,由于两个齿轮的轮齿不断啮合,使液体受挤压而从排出室进入排出管中。主动齿轮和从动齿轮不停地旋转,泵就能连续不断地吸入和排出液体。
三、产品型号与排量
ALP2A-D-*系列齿轮泵有多个型号可供选择,如ALP2A-D-13FG等。每个型号都有不同的排量范围,以适应不同的工作场景和需求。具体排量范围可能因不同型号而有所差异,用户可以根据实际需求选择合适的型号。
四、应用领域
ALP2A-D-*系列齿轮泵广泛应用于各种需要高压力、高温传输流体的应用场景。例如,在石化行业中,该系列齿轮泵主要用于原油、石油产品、化工原料等的输送。在化工行业中,它被广泛应用于各种液体的输送,如酸、碱、醇、酮等。此外,在造纸、制药、食品等行业领域,该系列齿轮泵也发挥着重要作用。
五、购买与售后服务
购买渠道:用户可以通过官方渠道或授权的经销商进行购买,以确保获得正品和优质的售后服务。
售后服务:马祖奇品牌提供原厂售后服务,包括技术支持、维修和更换等。用户在购买后可以享受到全面的售后服务保障。
综上所述,ALP2A-D-*系列马祖奇齿轮泵以其高效能、长寿命、维护简便和多种配置等特点,在多个行业领域得到了广泛应用。用户在购买时应根据自己的实际需求选择合适的型号和配置,并选择官方渠道或授权的经销商进行购买以确保产品质量和售后服务。

ALP2A-D-6,ALP2A-D-9,ALP2A-D-10,ALP2A-D-12,ALP2A-D-13,ALP2A-D-16,ALP2A-D-20
ALP2A-D-22,ALP2A-D-25,ALP2A-D-30,ALP2A-D-34,ALP2A-D-37ALP2A-D-40,ALP2A-D-50
意大利马祖奇ALP2A-D-*系列齿轮泵是意大利马祖奇(MARZOCCHI)品牌生产的一种高性能齿轮泵,以下是关于该系列齿轮泵的详细介绍:
一、产品特点
高效能:ALP2A-D-*系列齿轮泵采用高性能材料和先进齿轮设计,能够在高压力和高温环境下高效地传输流体。其高效率的设计减少了能源消耗和热量生成,使得泵在长时间运行中保持稳定的性能。
长寿命:该系列齿轮泵具有坚固和耐用的设计,能够承受严苛的工作环境。齿轮和轴承寿命长,减少了维修和更换的频率,从而降低了运营成本。
维护简便:ALP2A-D-*系列齿轮泵的设计使得维护和检查变得简单方便。模块化设计使得快速更换磨损部件成为可能,减少了停机时间,提高了设备的利用率。
多种配置:该系列齿轮泵有多种配置可供选择,以满足不同的应用需求。用户可以根据实际需求选择不同的排量、压力、电压和驱动方式等配置。
二、工作原理
ALP2A-D-*系列齿轮泵的工作原理基于齿轮的旋转和体积的变化。两个齿轮在泵缸内相互啮合,随着驱动轴的旋转而转动。当吸入室一侧的啮合齿逐渐分开时,吸入室容积增大,压力降低,从而将吸入管中的液体吸入泵内。吸入液体分两路在齿槽内被齿轮推送到排出室。液体进入排出室后,由于两个齿轮的轮齿不断啮合,使液体受挤压而从排出室进入排出管中。主动齿轮和从动齿轮不停地旋转,泵就能连续不断地吸入和排出液体。
三、产品型号与排量
ALP2A-D-*系列齿轮泵有多个型号可供选择,如ALP2A-D-13FG等。每个型号都有不同的排量范围,以适应不同的工作场景和需求。具体排量范围可能因不同型号而有所差异,用户可以根据实际需求选择合适的型号。
四、应用领域
ALP2A-D-*系列齿轮泵广泛应用于各种需要高压力、高温传输流体的应用场景。例如,在石化行业中,该系列齿轮泵主要用于原油、石油产品、化工原料等的输送。在化工行业中,它被广泛应用于各种液体的输送,如酸、碱、醇、酮等。此外,在造纸、制药、食品等行业领域,该系列齿轮泵也发挥着重要作用。
五、购买与售后服务
购买渠道:用户可以通过官方渠道或授权的经销商进行购买,以确保获得正品和优质的售后服务。
售后服务:马祖奇品牌提供原厂售后服务,包括技术支持、维修和更换等。用户在购买后可以享受到全面的售后服务保障。
综上所述,ALP2A-D-*系列马祖奇齿轮泵以其高效能、长寿命、维护简便和多种配置等特点,在多个行业领域得到了广泛应用。用户在购买时应根据自己的实际需求选择合适的型号和配置,并选择官方渠道或授权的经销商进行购买以确保产品质量和售后服务。