品牌展示
- YUKEN油研液压
- REXROTH液压泵
- VICKERS
- DAIKIN
- PARKER
- NACHI
- DENISON
- Marzocchi齿轮泵
- Sumitomo齿轮泵
- Danfoss液压泵
- Berarma叶片泵
- YEOSHE液压泵
- 东京计器液压泵
- SALAMI齿轮油泵
- VIVOIL齿轮油泵
- CASAPPA齿轮泵
- Caproni齿轮油泵
- Bucher齿轮泵
- HESPER齿轮泵
- HYDAC齿轮泵
- Roquet齿轮泵
- Bondioli齿轮泵
- Jihostroj齿轮泵
- Duplomatic迪普马
- METARIS齿轮泵
- ATOS齿轮油泵
- KRACHT齿轮泵
- Brevini齿轮油泵
- RONZIO齿轮泵
- 沃尔沃齿轮泵
- Commercial液压泵
- LINDE
- HAWE
- Kawasaki液压泵
- 赫格隆液压马达
- 减速机
- 油力顿
- 维修服务
最新动态

手机:13686884195
电话:0755-29874345
QQ:2737435508
2737435508@qq.com
首页Marzocchi齿轮泵产品详情

ALP1A系列马祖奇齿轮泵
品牌类型:
发布时间:
Marzocchi齿轮泵
2024-12-25 15:09:39
温馨提示:由于产品型号太多,网站只能列出部分产品信息。如您在网站中未能找到您需要的型号,请咨询我们的在线客服!
咨询热线:0755-29874345、0755-29874345
详情介绍
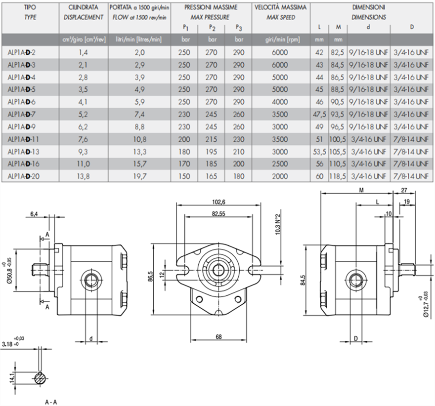
马祖奇ALP1A-D系列齿轮泵参数及尺寸:

马祖奇齿轮泵ALP1A-D系列相关型号:
ALP1A-D-2,ALP1A-D-3,ALP1A-D-4,ALP1A-D-5,ALP1A-D-6,ALP1A-D-7
ALP1A-D-9,ALP1A-D-11,ALP1A-D-13,ALP1A-D-16,ALP1A-D-20
意大利马祖奇ALP1A系列齿轮泵是意大利马祖奇(MARZOCCHI)品牌生产的高性能齿轮泵系列,以下是关于该系列齿轮泵的详细介绍:
一、产品特点
高效能:ALP1A系列齿轮泵采用高性能材料和先进齿轮设计,能够在高压力和高温环境下高效地传输流体。其高效率的设计减少了能源消耗和热量生成,使得泵在长时间运行中保持稳定的性能。
长寿命:该系列齿轮泵的坚固和耐用的设计使其能够承受严苛的工作环境。齿轮和轴承寿命长,减少了维修和更换的频率,从而降低了运营成本。
维护简便:ALP1A系列齿轮泵的设计使得维护和检查变得简单方便。模块化设计使得快速更换磨损部件成为可能,减少了停机时间,提高了设备的利用率。
多种配置:该系列齿轮泵有多种配置可供选择,以满足不同的应用需求。用户可以根据实际需求选择不同的排量、压力、电压和驱动方式等配置。
可靠性:ALP1A系列齿轮泵具有高度的可靠性和稳定性。其坚固的设计和优质的材料使得它在各种工作条件下都能稳定地运行,减少了故障和停机时间。
二、工作原理
ALP1A系列齿轮泵的工作原理基于两个主要概念:齿轮的旋转和体积的变化。
齿轮旋转:齿轮泵中的两个齿轮在泵缸内相互啮合,随着驱动轴的旋转,齿轮开始转动。这种旋转运动允许泵有效地从进油口吸入流体,并将其传输至出油口。
体积变化:当齿轮旋转时,啮合的齿之间的体积会发生变化。具体来说,随着齿轮的转动,齿之间的空间会从小到大,然后再从大到小。这种体积的变化与泵的排量直接相关,因为它决定了在单位时间内可以吸入和排出的流体体积。
三、产品型号与排量
ALP1A系列齿轮泵有多个型号可供选择,每个型号都有不同的排量范围和特点。例如:
ALP1A-D-9-FG
ALP1A-D-20-FG
ALP1AQN-D-2.1
ALP1AQN-D-4,1-P596B(具有特定的参数,如排出口径32mm、吸入口径100mm等)
这些型号的齿轮泵具有不同的排量范围,适用于不同的工作场景和需求。
四、应用领域
ALP1A系列齿轮泵以其卓越的性能和可靠性,广泛应用于各种需要高压力、高温传输流体的应用场景。例如:
工程机械:如挖掘机、起重机、压路机等。
液压系统:为各种液压设备提供稳定、可靠的液压动力支持。
润滑油系统:适用于小流量场合的润滑油输送。
五、价格与购买
ALP1A系列马祖奇齿轮泵的价格因型号、配置和购买渠道的不同而有所差异。用户可以通过官方渠道或授权的经销商进行购买,以确保获得正品和优质的售后服务。
综上所述,ALP1A系列马祖奇齿轮泵以其高效能、长寿命、维护简便、多种配置和高度可靠性等特点,成为各种需要高压力、高温传输流体的应用场景中的优选产品。

ALP1A-D-2,ALP1A-D-3,ALP1A-D-4,ALP1A-D-5,ALP1A-D-6,ALP1A-D-7
ALP1A-D-9,ALP1A-D-11,ALP1A-D-13,ALP1A-D-16,ALP1A-D-20
意大利马祖奇ALP1A系列齿轮泵是意大利马祖奇(MARZOCCHI)品牌生产的高性能齿轮泵系列,以下是关于该系列齿轮泵的详细介绍:
一、产品特点
高效能:ALP1A系列齿轮泵采用高性能材料和先进齿轮设计,能够在高压力和高温环境下高效地传输流体。其高效率的设计减少了能源消耗和热量生成,使得泵在长时间运行中保持稳定的性能。
长寿命:该系列齿轮泵的坚固和耐用的设计使其能够承受严苛的工作环境。齿轮和轴承寿命长,减少了维修和更换的频率,从而降低了运营成本。
维护简便:ALP1A系列齿轮泵的设计使得维护和检查变得简单方便。模块化设计使得快速更换磨损部件成为可能,减少了停机时间,提高了设备的利用率。
多种配置:该系列齿轮泵有多种配置可供选择,以满足不同的应用需求。用户可以根据实际需求选择不同的排量、压力、电压和驱动方式等配置。
可靠性:ALP1A系列齿轮泵具有高度的可靠性和稳定性。其坚固的设计和优质的材料使得它在各种工作条件下都能稳定地运行,减少了故障和停机时间。
二、工作原理
ALP1A系列齿轮泵的工作原理基于两个主要概念:齿轮的旋转和体积的变化。
齿轮旋转:齿轮泵中的两个齿轮在泵缸内相互啮合,随着驱动轴的旋转,齿轮开始转动。这种旋转运动允许泵有效地从进油口吸入流体,并将其传输至出油口。
体积变化:当齿轮旋转时,啮合的齿之间的体积会发生变化。具体来说,随着齿轮的转动,齿之间的空间会从小到大,然后再从大到小。这种体积的变化与泵的排量直接相关,因为它决定了在单位时间内可以吸入和排出的流体体积。
三、产品型号与排量
ALP1A系列齿轮泵有多个型号可供选择,每个型号都有不同的排量范围和特点。例如:
ALP1A-D-9-FG
ALP1A-D-20-FG
ALP1AQN-D-2.1
ALP1AQN-D-4,1-P596B(具有特定的参数,如排出口径32mm、吸入口径100mm等)
这些型号的齿轮泵具有不同的排量范围,适用于不同的工作场景和需求。
四、应用领域
ALP1A系列齿轮泵以其卓越的性能和可靠性,广泛应用于各种需要高压力、高温传输流体的应用场景。例如:
工程机械:如挖掘机、起重机、压路机等。
液压系统:为各种液压设备提供稳定、可靠的液压动力支持。
润滑油系统:适用于小流量场合的润滑油输送。
五、价格与购买
ALP1A系列马祖奇齿轮泵的价格因型号、配置和购买渠道的不同而有所差异。用户可以通过官方渠道或授权的经销商进行购买,以确保获得正品和优质的售后服务。
综上所述,ALP1A系列马祖奇齿轮泵以其高效能、长寿命、维护简便、多种配置和高度可靠性等特点,成为各种需要高压力、高温传输流体的应用场景中的优选产品。






